咨询热线
19961852999
19961852999
电液推杆选型说明:
电液推杆主要是由推杆的型式、电机的防护等级、额定输出力、行程、额定速度和使用角度等六大基本要素组成,还可根据用户特殊要求,配套三种调节功能,即:速度调节、推拉力调节,行程调节(行程开关定位)。除了上述三种调节功能订货时必须文字注明外,其它请参照型号编制方式认真填写六大基本要素。
以下举“DYTZB1000-500/110-X型电液推杆”为例,分别说明如何选型和型号编制的方式。
1、如何选型:某一场所需要一台整体直式的电液推杆,要求电机防爆,其大推力10kn,行程500mm大速度
110mm/s,使用角度向下推,那么所选电液推杆的标准型号为:DYTZB1000-500/110-X.(B为防爆标记,X表示向下推)


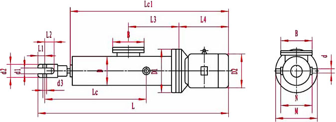
DYTZ型整体直式电液推杆外形尺寸及安装尺寸


1、上列表中的电机电压等级为380V,防护等级为IP44,绝缘等级为B级(根据用户要求可配660/1140或415V,防护等级为IP54、IP55、IP65,或耐高温(120℃)等特殊电机。
2、表中的电机型号及功率,指该推杆在额定输出力、额定速度时为大值的功率,电机功率与推拉力成正比。
3、表中额定速度为常规速度,若推拉速有特殊要求订货时需说明,若超出表中行程制造范围必须在订货时说明。
4、若无特殊说明电液推杆使用地点的海拔高度不超过1000m,月平均高相对湿度不超过90%,电液推杆使用的工作环境温度为:-5~+50℃,工作介质随环境温度不同,选用合适的液压油(-5~+20℃时采用32#抗磨液压油(L—HM32),+20~+50℃时采用46#抗磨液压油(L-HM46)),液压油加注前需过滤,过滤精度100μm以上。